基本介绍
高级定时器有2个分别是:TIM1、TIM8。
拥有通用定时器所有功能。
相比通用定时器增加的功能:
重复计数器
死区时间可编程的互补输出
断路输入信号(刹车信号)
功能框图

重复计数器
重复计数器包含2部分
重复次数计数器
REP寄存器(其实硬件叫RCR寄存器)
工作原理
在基本定时器和通用定时器中,计数器每溢出1次,就产生1次更新事件。
在高级定时器中,计数器每溢出1次,会产生一个信号,让重复计数器的值 - 1。
当重复计数器的值减到0,如果计数器再溢出1次,则会产生更新事件。
重复计数器的初始化来源于RCR寄存器REP位。
如果REP=2,则CNT计数器溢出3次产生一次更新事件。
可以用重复计数器生成有限个周期的PWM。
互补输出
高级定时器的通道1/2/3可以分别输出2路互补信号:CH1和CH1N(注意通道4没有)
互补信号:频率周期相等,相位相差180°。
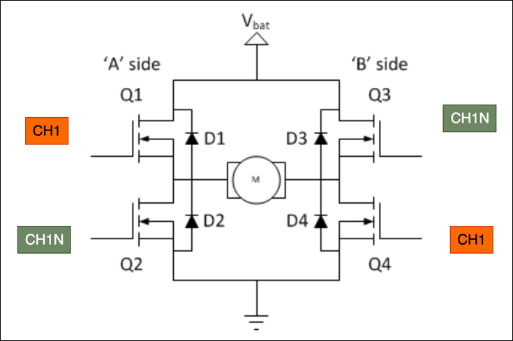
互补输出实际案例
互补输出一般用于驱动H桥电路,H桥通常用于驱动电流较大的负载,比如电机。

CH1高电平, Q1和Q4导通,电机正转
CH1N高电平,Q3和Q2导通,电机反转
理论上CH1和CH1N永远反相,所以可以非常方便的控制电机的转动。
实际情况下由于MOS管器件关断慢,开通快。
如果Q1和Q4还没有完全关断,Q2和Q3导通,就会造成短路,导致器件烧毁,所以这种情况是严格禁止的。
死区事件
延时一段时间再开通。

OCxREF可以认为是标准信号。
OCx和OCxN 的低电平立即变化。
OCx和OCxN 的高电平延迟变化。